Ball Screw Support Unit

Vivek Automation Ball Screw Support Unit

Ball Screw Support Unit

Ensure stability, accuracy, and long-lasting performance of your ball screw systems with high-quality Ball Screw Support Units from VIVEK AUTOMATION. Designed to provide rigid support and precise alignment, these units are essential for achieving smooth and efficient linear motion.

Ball Screw Support Unit - GBK Series
Model No. d1 L B H b ± 0.02 h ± 0.02 P E C1 Download
GBK6 6 23 52 32 26 17 38 - -
GBK8 8 23 52 32 26 17 38 - -
GBK10 10 25 60 39 30 22 46 15 13
GBK12 12 25 60 43 30 22 46 18 13
GBK15 15 27 70 48 35 28 54 18 15
GBK17 17 35 86 64 43 39 68 28 19
GBK20 20 35 88 60 44 34 70 22 19
GBK25 25 42 106 80 53 48 85 33 22
GBK30 30 45 128 89 64 51 102 33 23
GBK35 35 150 140 96 70 52 114 35 26
GBK40 40 61 160 110 80 60 130 37 33
Ball Screw Support Unit - GBF Series
Model No. d1 L B H b ± 0.02 h ± 0.02 P E Download
GBF6/8 6 14 52 32 26 17 38 -
GBF10 10 20 60 39 30 22 46 15
GBF12 12 20 60 43 30 25 46 18
GBF15 15 20 70 48 35 28 54 18
GBF17 17 23 86 64 43 39 68 28
GBF20 20 26 88 60 44 34 70 22
GBF25 25 30 106 80 53 48 85 33
GBF30 30 32 128 89 64 51 102 33
GBF35 35 32 140 96 70 52 114 35
GBF40 40 37 160 110 80 60 130 37
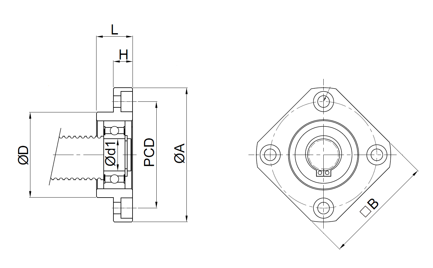
Ball Screw Support Unit - GFK Series
Model No. d1 L H D-g6 A PCD B Download
GFK4 4 15 6 18 32 24 25
GFK5 5 16.5 6 20 34 26 26
GFK6 6 20 7 22 36 28 28
GFK8 8 23 9 28 43 35 35
GFK10 10 27 10 34 52 42 42
GFK12 12 27 10 36 54 44 44
GFK15 15 32 15 40 63 50 52
GFK17 17 45 22 50 77 62 61
GFK20 20 52 22 57 85 70 68
GFK25 25 57 27 63 98 80 79
GFK30 30 62 30 75 117 95 93
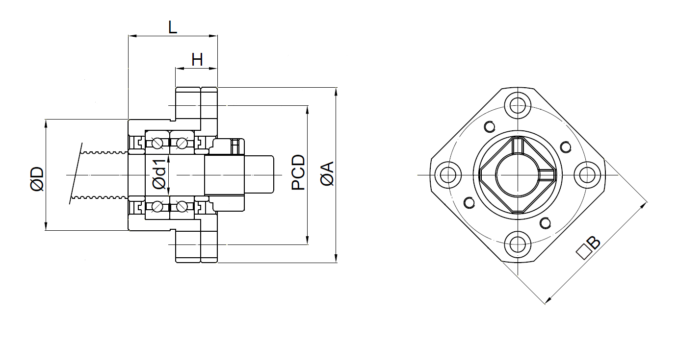
Ball Screw Support Unit - GFF Series
Model No. d1 L H D-g6 A PCD B Download
GFF6/8 6 10 6 22 36 28 28
GFF10 8 12 7 28 43 35 35
GFF12 10 15 7 34 52 42 42
GFF15 15 17 9 40 63 50 52
GFF17 17 20 11 50 77 62 61
GFF20 20 20 11 57 85 70 68
GFF25 25 24 14 63 98 80 79
GFF30 30 27 18 75 117 95 93

Authorised Distributors
Importers & Stockist

Moteck

Moteck Logo

GLT

GLT Logo

Hiwin

Hiwin Logo

THK

THK Logo

PMI

PMI Logo

Yinsh

Yinsh Logo

SBC Linear

SBC Linear Logo

GMT

GMT Logo

Rexroth

Rexroth Logo

Schneeberger Linear Technology

Schneeberger Linear Technology Logo

Miki Pulley

Miki Pulley Logo